產品列表
- 產品規格
- 產品特色
- 為何選擇漢德威
訂購範例
HJD-44S-40
| HJD1-44S | 40 |
|---|---|
| | | | |
| 型號 | 台面尺寸 |
STEP.1
請選擇型號、台面尺寸以及千分尺位置後,再確認所選規格參數
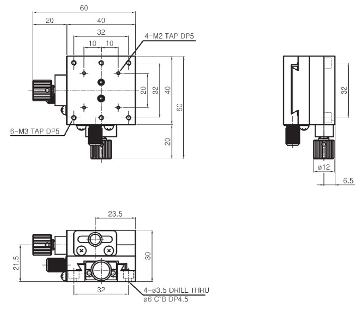
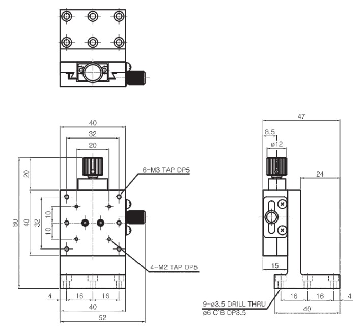
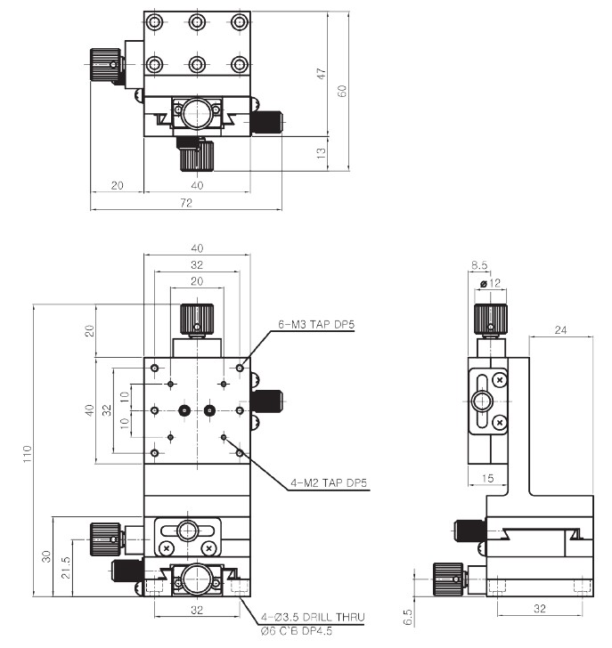
| 型號 | 台面尺寸 | 行程 | 移動導向 | 螺桿 | 平行度 | 移動平行度 | 負載 | 重量 | 材質 | 表面處理 |
|---|---|---|---|---|---|---|---|---|---|---|
| HJD1-44S | 40×40mm | ±10 mm | Dovetail, Screw | 0.1° /Vernier | 40μm | 30μm | 2.0kgf | 0.15 kg | Aluminum | Black Anodizing |
| HJD2-44S | 60μm | 1.8kgf | 0.3 kg | |||||||
| HJD3-44S | 40×40mm | ±10 mm | Dovetail, Screw | 0.1° /Vernier | 50μm | 30μm | 1.0kgf | 0.17 kg | Aluminum | Black Anodizing |
| HJD4-44S | 120μm | 1.0kgf | 0.47 kg |
| HJD1-44S | HJD2-44S | HJD3-44S | HJD4-44S |
|---|---|---|---|
![]() |
![]() |
![]() |
![]() |
燕尾槽滑台是一種採用燕尾槽導軌設計的精密平台,具有結構簡單、剛性高與承載力強的特點。與滾動式滑台相比,燕尾槽滑台能在較嚴苛環境下保持穩定,適合需要長時間定位或高負荷的應用場合。其精密加工的燕尾槽結構,能確保平穩的直線運動與優異的耐用性。
應用情況分析:
- 光學平台:元件固定與光軸調整
- 工業檢測:樣品台的穩定移動與定位
- 半導體與電子:需要高剛性支撐的檢測或組裝平台
- 科研與實驗室:材料測試與樣品調整
- 高負載應用:適合需要承受較大重量或長時間運作的環境
優點:
- 燕尾槽設計提供強固支撐,抗震性佳。
- 能支撐較大重量,適合重型應用。
- 無滾動元件,摩擦面耐磨損,壽命長。
- 即使在長時間或高頻使用下,也能保持精準。
- 結構簡單,維護容易,性價比優於部分精密滑台。
HEADWAY 漢德威以卓越的品質、堅定的承諾和建立夥伴關係的精神,為您呈現。作為自動化與模具零組件製造商,我們深諳自動化與模具技術,並不斷創新和改進,確保產品在性能和可靠性方面表現出色。
在 HEADWAY 漢德威的官方網站上,不僅可以瀏覽產品型錄,每款產品都代表著我們對品質的承諾和對客戶需求的回應。我們嚴格控制製造過程,使用高品質材料並進行精密加工,確保每個產品都能完美符合您的期望。
(1).一貫化生產。
(2).無最小起定量,一個也能製作。
(3).100%檢驗-從生產到檢驗設備都由漢德威來完成。
(4).接受來圖詢問客製加工品。
(5).產品問題及後續售後服務,專人為您服務。







