產品列表
- 產品規格
- 產品特色
- 為何選擇漢德威
訂購範例
HJT-8087L-80-87
| HJT-8087L | 80 | 87 |
|---|---|---|
| | | | | | |
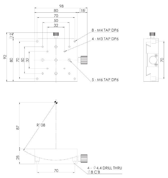
| 型號 | 台面尺寸 | 旋轉半徑 |
STEP.1
請選擇型號、台面尺寸以及旋轉半徑後,再確認所選規格參數
| 型號 | 台面尺寸 | 旋轉半徑 | 行程 | 游標刻度 | 旋轉角度 | 移動導向 | 負載 | 重量 | 材質 | 表面處理 |
|---|---|---|---|---|---|---|---|---|---|---|
| HJT-8087L | 80×80 mm | 87 mm | ±15° | 0.1° /Vernier | ≒0.9° | Dovetail, Worm & Gear | 8kgf | 0.53kg | Aluminum | Black Anodizing |
| HJT-8087R |
| HJT-8087L | HJT-8087R |
|---|---|
![]() |
![]() |
![]() |
![]() |
弧形測角滑台是一種專門用於精密角度調整的定位平台,能沿著圓弧軌跡進行高精度的旋轉運動。透過精密導軌與調整機構,使用者可在有限的角度範圍內進行微小而穩定的角度變化。此類滑台廣泛應用於光學、半導體與檢測產業,適合需要角度校正與光軸對準的應用情境。
應用情況分析:
- 光學實驗:雷射光學系統中光軸的角度校正與鏡片定位
- 半導體產業:晶片或元件在測試治具中的角度微調
- 精密檢測:量測儀器中樣品台的角度控制
- 科研應用:材料測試與物理實驗中的角度定位
- 自動化平台:與直線滑台搭配,實現多自由度運動
優點:
- 提供微米級直線轉換成高精度角度定位。
- 採用弧形導軌設計,運動平順、無明顯晃動。
- 可搭配微分頭或手動旋鈕,實現細微調整。
- 適用於光學調整、半導體測試與科研領域。
- 可與直線滑台或旋轉滑台結合,實現複合運動控制。
HEADWAY 漢德威以卓越的品質、堅定的承諾和建立夥伴關係的精神,為您呈現。作為自動化與模具零組件製造商,我們深諳自動化與模具技術,並不斷創新和改進,確保產品在性能和可靠性方面表現出色。
在 HEADWAY 漢德威的官方網站上,不僅可以瀏覽產品型錄,每款產品都代表著我們對品質的承諾和對客戶需求的回應。我們嚴格控制製造過程,使用高品質材料並進行精密加工,確保每個產品都能完美符合您的期望。
(1).一貫化生產。
(2).無最小起定量,一個也能製作。
(3).100%檢驗-從生產到檢驗設備都由漢德威來完成。
(4).接受來圖詢問客製加工品。
(5).產品問題及後續售後服務,專人為您服務。






